0755-29112251
0755-29556853

思泽远科技

≤5W 单双声道功放
≤5W 单双声道功放
≤5W 单双声道功放
  • LTK4890-1.6W单声道AB类音频功放芯片
LTK4890-1.6W单声道AB类音频功放芯片
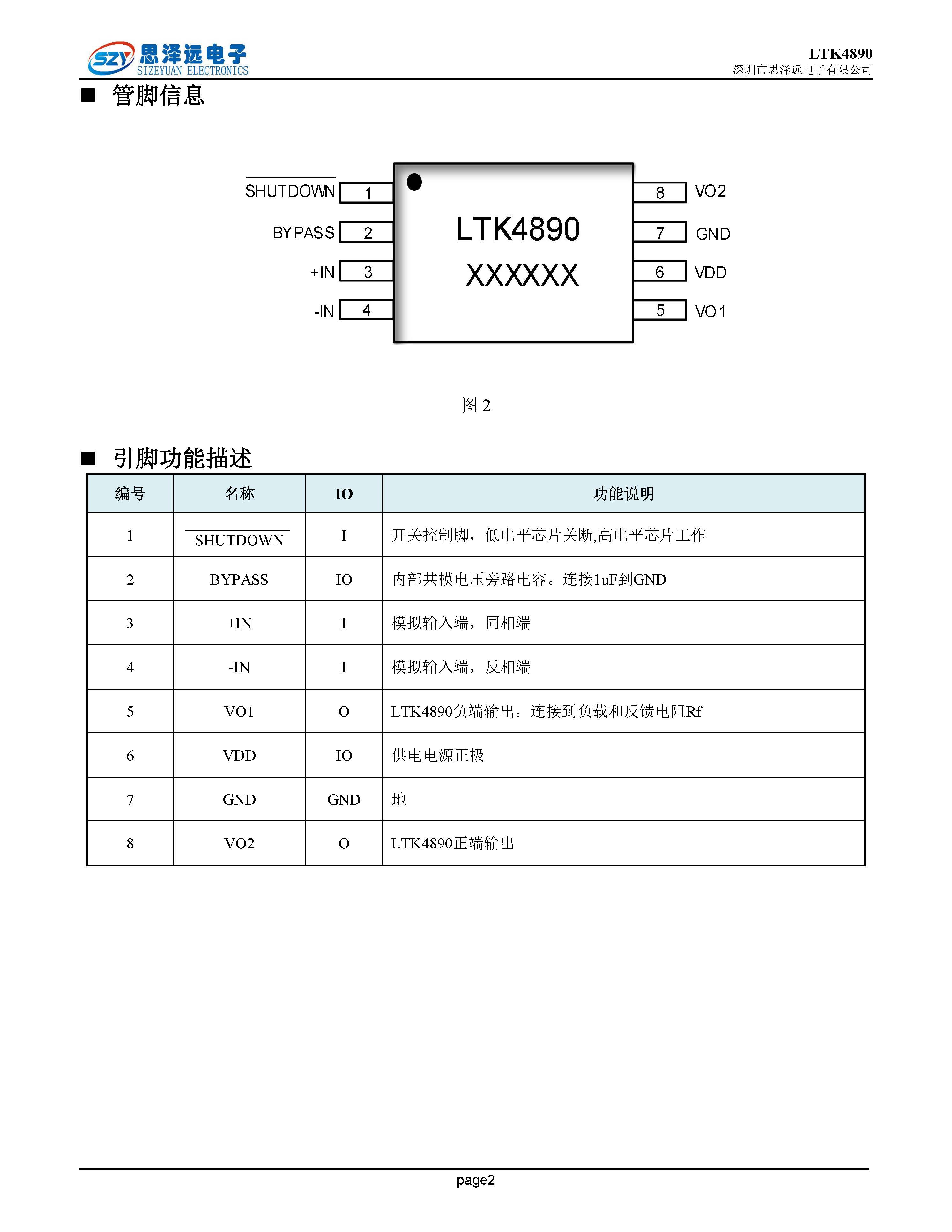
所属类目:【≤5W 单双声道功放】所属类目:【】LTK4890是一款主要是为满足对音质要求严格的便携设备而设计的AB类音频功率放大器

LTK4890单声道音频放大器2023-12-06_页面_1.jpgLTK4890单声道音频放大器2023-12-06_页面_2.jpgLTK4890单声道音频放大器2023-12-06_页面_3.jpgLTK4890单声道音频放大器2023-12-06_页面_4.jpgLTK4890单声道音频放大器2023-12-06_页面_5.jpgLTK4890单声道音频放大器2023-12-06_页面_6.jpgLTK4890单声道音频放大器2023-12-06_页面_7.jpgLTK4890单声道音频放大器2023-12-06_页面_8.jpg

PRODUCT ADVANTAGES
我们的核心优势
技术支持 TECHNICAL SUPPORT
10名软硬件设计人员+3名专业MIDI工程师组成工程团队,拥有11年产品研发经验,30000+项目累积,以规范的流程和专注的态度,提供全方位的语音解决方案。
产品质量 PRODUCT QUALITY
精选台湾DSP高品质语音芯片晶圆,把控生产过程,保障每颗芯片都经过±3%的频漂测试,力求音质和电子硬件的完美契合。
交付能力 DELIVERY CAPABILITY
工程样品50%当日出,标准品即日出,≦30000PCS三天内交付,烧录芯片日交付20W起,50+烧录机台24小时烧录,保证订单有序出货。
我们的服务 OUR SERVICE
3年以上4名销售团队,6名敬业后勤队伍。满足客户不同的交付需求,协助生产全过程,保障客户无忧!
收起