0755-29112251
0755-29556853

思泽远科技

ejyp
耳机音频功放芯片
ejyp
耳机音频功放芯片
耳机音频功放芯片
  • 耳机音频功放芯片
耳机音频功放芯片
所属类目:【耳机音频功放芯片】所属类目:【ejyp】LTK5210 7.0V/3Ω/2x7.9W双声道F类音频功放芯片 自带耳机功能

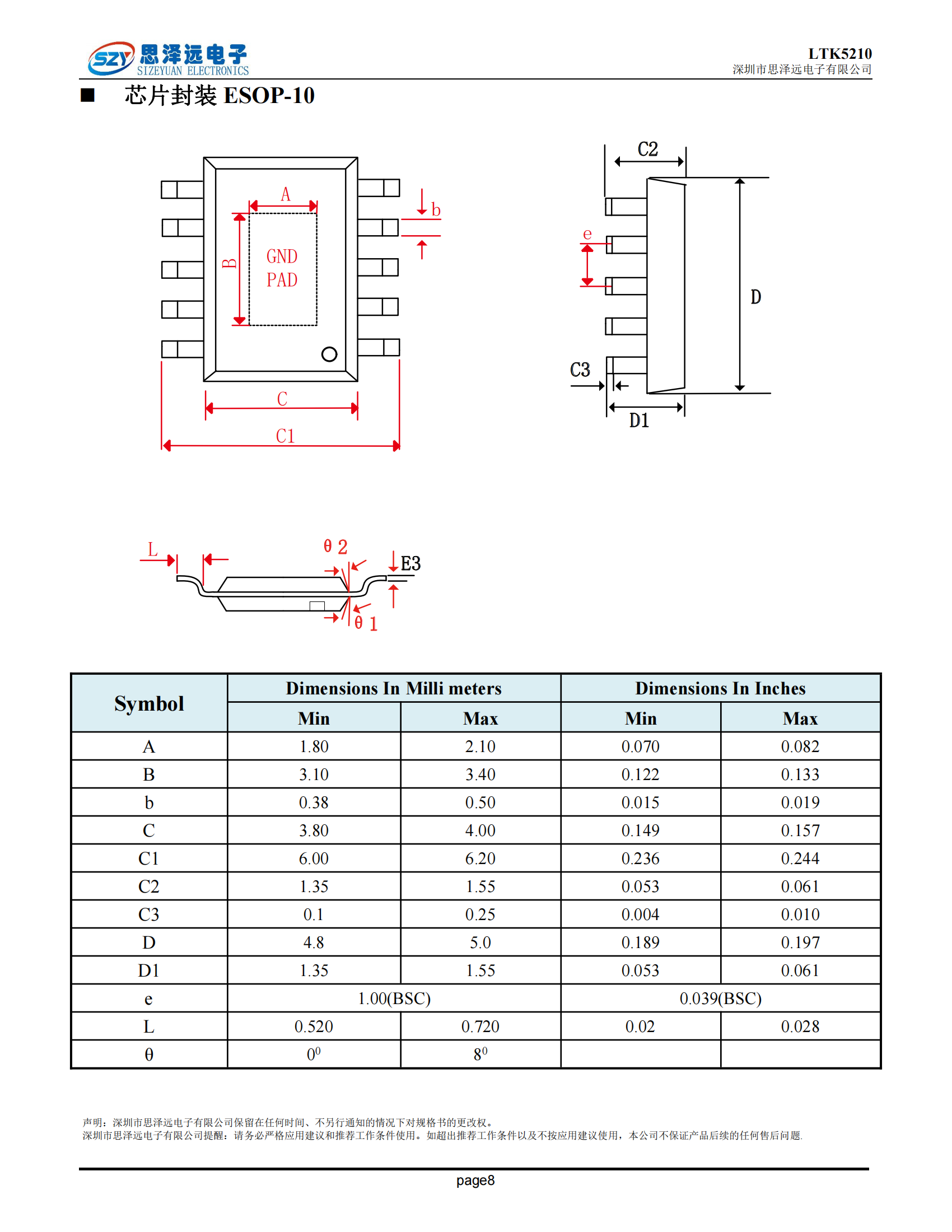
LTK5210宽电压2.8-7V_自带耳机功能双声道立体声脉冲控制F类_2X7.8W_音频功率放大器ESOP-10 2023-12-06_00.pngLTK5210宽电压2.8-7V_自带耳机功能双声道立体声脉冲控制F类_2X7.8W_音频功率放大器ESOP-10 2023-12-06_01.pngLTK5210宽电压2.8-7V_自带耳机功能双声道立体声脉冲控制F类_2X7.8W_音频功率放大器ESOP-10 2023-12-06_02.pngLTK5210宽电压2.8-7V_自带耳机功能双声道立体声脉冲控制F类_2X7.8W_音频功率放大器ESOP-10 2023-12-06_03.pngLTK5210宽电压2.8-7V_自带耳机功能双声道立体声脉冲控制F类_2X7.8W_音频功率放大器ESOP-10 2023-12-06_04.pngLTK5210宽电压2.8-7V_自带耳机功能双声道立体声脉冲控制F类_2X7.8W_音频功率放大器ESOP-10 2023-12-06_05.pngLTK5210宽电压2.8-7V_自带耳机功能双声道立体声脉冲控制F类_2X7.8W_音频功率放大器ESOP-10 2023-12-06_06.pngLTK5210宽电压2.8-7V_自带耳机功能双声道立体声脉冲控制F类_2X7.8W_音频功率放大器ESOP-10 2023-12-06_07.png

PRODUCT ADVANTAGES
我们的核心优势
技术支持 TECHNICAL SUPPORT
10名软硬件设计人员+3名专业MIDI工程师组成工程团队,拥有11年产品研发经验,30000+项目累积,以规范的流程和专注的态度,提供全方位的语音解决方案。
产品质量 PRODUCT QUALITY
精选台湾DSP高品质语音芯片晶圆,把控生产过程,保障每颗芯片都经过±3%的频漂测试,力求音质和电子硬件的完美契合。
交付能力 DELIVERY CAPABILITY
工程样品50%当日出,标准品即日出,≦30000PCS三天内交付,烧录芯片日交付20W起,50+烧录机台24小时烧录,保证订单有序出货。
我们的服务 OUR SERVICE
3年以上4名销售团队,6名敬业后勤队伍。满足客户不同的交付需求,协助生产全过程,保障客户无忧!
收起